A friend Built me an ARC Clock from this document.

This setup uses one of the Blank Cart boards I purchased from CSS. The cart has a header on it that makes it easy to prototyping. ILS is also thinking of doing a board run. If you would like to purchase one of these please let us know by e-mailing ILS. Also we do not know the cost of these carts but the design we have here will fit in the OLD ICD R-Time 8 Cart Shell. I also need to find someone who can make the cart shells for us.

Here are the plans for building an ARC Clock!
Probably
all of you have heard of the watch R-Time 8 that its owner does not disputed
lucky. Some time ago I had a chance to hold it in my hands and cacuszko
zrysować scheme. Everyone probably going to think: "It is a scheme
to do so." Unfortunately, the scheme will not work. The reason is simple:
you can not get anywhere R-Time8 heart - the main Time Chip! So nothing can be
done? You can. Atari Real Clock is a clock designed for the availability of,
as the main system countdown is identical to that used in Amiga computers. In
addition, the handler was written by Qcyka / Dial ARC for working with
SpartaDos X. Handler is of course to download ( arclock.zip
).
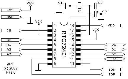
Parts
List
·
RTC72421
or M6242b
·
74LS138
or 74HCT138
·
32768Hz
Crystal (X1)
·
Capacitors:
o
(C1)20pF
o
(C2)4.7pF
o
100nF
o
10uF
(tantalum)
o
(C3)
7/30pF trimmer
·
Resistors
o
47
ohm
o
470
ohm
·
1n4148
diode (schottky diode Bat42) units 1 and 2 (see diagram)
·
·
Accessories:
o
2"
by 3" perf board
o
Mounting
hardware
o
Solder
o
Kynar
wire
o


Figure
1 Schematic ARC - Part Home
From
the top I would recommend a third, because the first two can cause a lot of
problems.

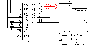
Fig.2
Schematic ARC - address decoder
I'm
not going to describe in turn how to connect the Atari system bus, because it
is very simple. All the necessary signals (D0-D3, A0-A7, RW, O2, D5XX = CCTL,
power) are on the cartridge slot, which leads somewhere unless you have
written out. The internal version of the signals are needed (except one) on
Pokey or Antic. This one (D5XX) is the 10th pin of the 74LS138 (HCT138,
HCTLS138). That's it for installation.
Fig.3
Schematic ARC - and maintain systems) with battery, b) accumulator
How
does it work so ...
The
clock has sixteen registers located at addresses czterobitowych $ D520-$ D52F.
Address from this range 74HCT138 decodes the system and the RTC itself.
Depending on the state of the line IOR and IOW given system or records, or it
reads. Quartz plus capacitors clock the timer. Power does not need any comment
... And that's it.
ARC
and internal SpartaDos
Internal
SpartaDos X (internal SDX) from version 1.1 has the ability to work with ARC
clock. This allows the elimination of the address decoder (74LS138), because
that was implemented in the interior of the GAL-a internal SDX. Figure 4 shows
part of the scheme, showing that the tip of the GAL20V8 the IOR and IOW
signals are connected directly to RTC72421 or M6242B.

Fig.4
internal SDX and ARC (1)
The
combination of ARC intSDX adds to the pin 2 of the RTC signal (CS) must be
permanently connected to ground or use it to hedge against a possible erasure
clock registers when power is turned on or off Atari. In such a system to be
used in addition CMOS 4093, and in fact one of the gateway system. And another
small note: the input of the other goals is 5, 6, 8, 9, 12, 13 of the 4093
must be connected to ground or VDD.

Fig.5
internal SDX and ARC (2)
Additionally,
you can disable the timer (eg when running a tab) shorting inputs 1 and 2
goals to the ground.