How to build a serial interface (up to 19200 baud).
The following is the description of how to build an RVerter compatible
interface. I have never actually seen one so I derived most of this from
tracing the connections inside an SX212 modem to determine what pins on the
SIO interface corresponds to which on the RS232 connection (except the data
lines which are obvious). This interface should work with any RVERTER (or
BOBVERTER) handler. It may work with SX212 handlers or software but may not
support all of the baud rates. Handlers are available alone and with some
terminal programs like Bobterm. I am not sure if all handlers support 19200
baud, but I have used my interface connected via a null modem cable to an IBM
to transfer files at 19200 baud and have had no problems. I tried 38400 baud
(by patching the handler) and too many errors were generated. I also connected
by SX212 to the interface instead of the SIO connection and had no problems. I
actually built this by lightly super gluing the two ICS into a large DB9 hood
and soldered the connections. I don't recommend this approach unless you are
totally nuts. I would NEVER try that again even though it did work (after
fixing a couple mistakes). I planned on eventually filling it with EPOXY but I
didn't and pray nothing ever comes loose. The cable I build has an SIO cable
(from my fried XM301 modem, and the interface build in the other end with a
DB9 male connector. I was able to use a ready made IBM cable to connect to the
modem. I also build a null modem cable and gender changer. This interface is
unable to communicate at the
same time as other I/O is occurring. This is typical unless you have an
interface that connects to the XL/XE parallel bus. Note: CTS is not supported
so you cannot use RTS/CTS handshaking. Only XON/XOFF could be used. When
transferring files between computers, if you use a protocol this will not
cause a problem. No responsibility is assumed for any damages resulting from
the building or using of this interface.

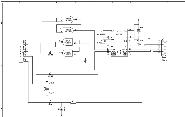
I don't have a data sheet for MAX232 and are giving the values for the
capacitors from another circuit. I used 33uF caps for all of them (I have a
lot of them I got cheap) and have had no problems. Place them as close to IC1
as possible. They should probably be 12 to 16 volt types or better especially
C3 and C4 which see around 10 volts,
where the other three only see 5V.
ASCII Circuit Diagram

Optional (Only needed to be able to detect ring signal from Modem): This is not tested, Hopefully it does not need to be inverted. You could probably use a 1489 if you know how.

Be sure to note polarity of capacitors. Note: The
positive lead of C4 does go to ground since the other leg will be a
negative voltage. + and / \ are use to show connections and bring connections
together on the diagram. Sorry not to break the ICs down into parts but that
would have made the diagram worse.
Pins for RS232 are for a 9 pin connector. With this connector you can connect
a standard 9 to 25 pin cable to this connector to use a modem, or a null modem
cable to transfer files. You can substitute a 25 pin connector using table
below. If you plan on only using it for file transfers you can wire in the
null modem cable before the jack. Note: The 9 pin connections are not the same
as the 850 interface but are the same as used sometimes on IBM type computers.
Change the gender of the plug as desired.

If you are only using the interface for computer to computer transfers, you
can build this into the interface if you are
careful. Connect what would go to pin 3 to pin 2. Connect what would go to pin
3 to pin 2. Connect what would go to pin 8 to pin 7. Connect 1,4,6 together on
the connector. Connect what would go to pins 1 and 4 together. Connect pin 5
normally.


Parts Sources
------------
Resistors, capacitors, diodes should be available from Radio Shack (not sure
about the zener diode if you need it). The DB9/DB25 connectors and hoods
should also be available there. Atari SIO cables are available from one of the
Atari Dealers - just remove one end. You may also want to pick up a
prototyping board at Radio shack to build it on. I got the MAX232 for $1.65
and 74LS00 for 22 cents at BG Micro. (US$ only,$10 minimum order on credit
cards) $3.25 minimum shipping ($7.50 Canada, $15 others, no shipping to Mexico
or Puerto Rico). You could also get IN4148 diodes at 100/2.50. Other items
that you could get to pad an order if you need them: 14 pin socket 13/1.00
(only need 1),16 pin sockes 13/1.00 (only need 1), 6821 PIA $2.00 (same as
6520?), 6810 (used in
1050) $1.25, 2793 (Controller used in 1050) $7.50, 4164-150ns RAMS at $0.49 or
9/3.50, 41256-150ns RAMs at $1.25 or 9/9.95 (256Kx1), 62256 32x8 SRAM $5.00
(can this upgrade the Black Box as described in the last issue of the original
A.C.?) Orders 1-800-276-2206, Tech support 214-271-9834, Fax 214-271-2462.
P.O.
Box 280298 Dallas, TX 75228. This along with a couple other places was listed
in one of the original A.C. issues.
Last Update 1/95